Описание
Характеристики
Отзывы
Описание
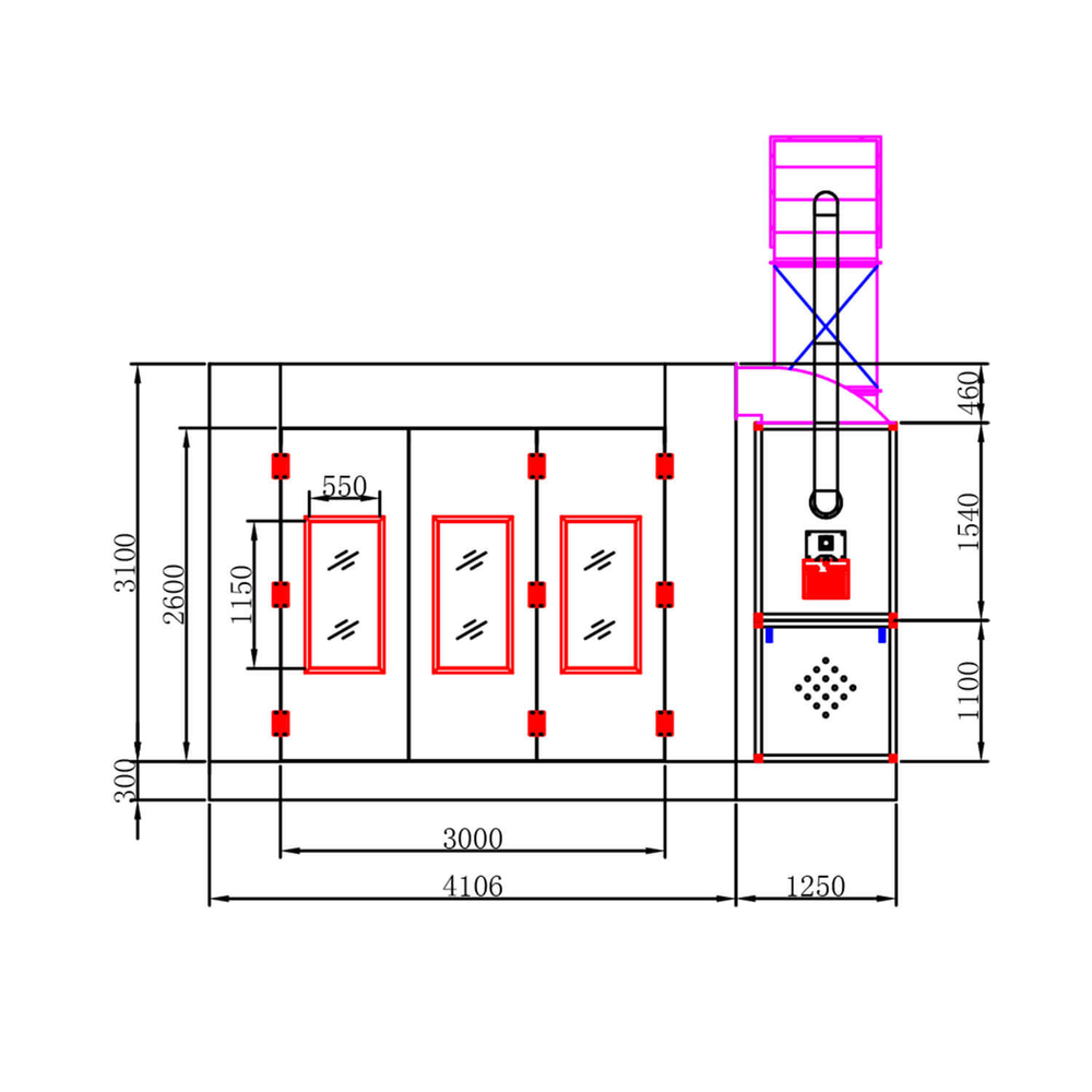
Окрасочно-сушильная камера с дизельной горелкой Riello G20 и приточно-вытяжным тепловентиляционным агрегатом WDK-210.
Используется для сушки лакокрасочных покрытий и организации технологических процессов окраски.
Приточный и вытяжной вентилятор мощностью 7,5 кВт обеспечивают высокий КПД окрасочно-сушильной камеры.
Боковые стены состоят из сэндвич-панелей (негорючий пенополистирол толщиной 53 мм) и являются теплоизоляционными.
Визуальный контроль за процессом позволяют осуществить 3-х створчатые ворота со встроенными смотровыми окнами.
Унифицированная конструкция камеры позволяет установить дополнительный комплект ворот для организации сквозного проезда и, в процессе монтажа, расположить приточно-вытяжную группу с любой стороны.
Встроенная трехступенчатая система фильтрации воздуха дает возможность очистить воздух от пыли и примесей на 95%. Камера оснащена верхним наклонным освещением на 8 светильников и боковым вертикальным освещением на 8 светильников.
Широкий выбор различных оснований для быстрого и удобного монтажа в любых помещениях со сложными участками позволяет оптимизировать воздушные потоки для любых технологических процессов окраски, продувки и сушки. Расположение пульта управления может быть организовано в любом удобном месте на внешней стороне стены.
Защитная система «WDK Secure» обеспечивает безопасность и корректную работу установки при быстром переключении режимов работы окрасочно-сушильной камеры.
Особенности и преимущества:
• Универсальная конструкция расположения вентиляционной группы.
• Регулируемое по горизонту металлическое основание высотой 300 мм и усиленный 100% решетчатый пол.
• Для большей эффективности в камере установлен пластинчатый рекуператор, который позволяет экономить до 50% тепловой энергии.
• Шиберные заслонки регулировки воздушного потока.
• Сплошная заездная аппарель.
• Двухрегистровый теплообменник c повышенным КПД и увеличенным сроком службы, из жаростойкой нержавеющей стали, устойчивой к высоким температурам и открытому огню.
• Рассекатели воздушного потока для 100% прохождения подаваемого воздуха через зону нагрева теплообменника и, соответственно, экономии топлива.
_________
Возможен перевод камеры на сжиженный или природный газ
Комплектация:
WDK-210 Окрасочно-сушильная камера
Используется для сушки лакокрасочных покрытий и организации технологических процессов окраски.
Приточный и вытяжной вентилятор мощностью 7,5 кВт обеспечивают высокий КПД окрасочно-сушильной камеры.
Боковые стены состоят из сэндвич-панелей (негорючий пенополистирол толщиной 53 мм) и являются теплоизоляционными.
Визуальный контроль за процессом позволяют осуществить 3-х створчатые ворота со встроенными смотровыми окнами.
Унифицированная конструкция камеры позволяет установить дополнительный комплект ворот для организации сквозного проезда и, в процессе монтажа, расположить приточно-вытяжную группу с любой стороны.
Встроенная трехступенчатая система фильтрации воздуха дает возможность очистить воздух от пыли и примесей на 95%. Камера оснащена верхним наклонным освещением на 8 светильников и боковым вертикальным освещением на 8 светильников.
Широкий выбор различных оснований для быстрого и удобного монтажа в любых помещениях со сложными участками позволяет оптимизировать воздушные потоки для любых технологических процессов окраски, продувки и сушки. Расположение пульта управления может быть организовано в любом удобном месте на внешней стороне стены.
Защитная система «WDK Secure» обеспечивает безопасность и корректную работу установки при быстром переключении режимов работы окрасочно-сушильной камеры.
Особенности и преимущества:
• Универсальная конструкция расположения вентиляционной группы.
• Регулируемое по горизонту металлическое основание высотой 300 мм и усиленный 100% решетчатый пол.
• Для большей эффективности в камере установлен пластинчатый рекуператор, который позволяет экономить до 50% тепловой энергии.
• Шиберные заслонки регулировки воздушного потока.
• Сплошная заездная аппарель.
• Двухрегистровый теплообменник c повышенным КПД и увеличенным сроком службы, из жаростойкой нержавеющей стали, устойчивой к высоким температурам и открытому огню.
• Рассекатели воздушного потока для 100% прохождения подаваемого воздуха через зону нагрева теплообменника и, соответственно, экономии топлива.
_________
Возможен перевод камеры на сжиженный или природный газ
Комплектация:
WDK-210 Окрасочно-сушильная камера
Характеристики
Бренд
WDK (WIEDERKRAFT)
Цвет
Белый
Производитель
WIEDERKRAFT
Объем, м³
511.68
Длина, м
8.2
Ширина, м
24
Основание
Металлическое
Гарантия
1 год
Высота, м
2.6
Подключение
380В, 50 Гц
Общая потребляемая мощность, кВт
15
Общая потребляемая мощность
15 кВт
Размеры въезда
3000х2600 мм
Система нагрева
Дизельная горелка Riello G20, 202 кВт
Температура в режиме окраски
20-25°C
Температура в режиме сушки
60-80°C
Верхнее освещение
8 светильников по 4 LED-лампы
Боковое освещение
8 светильников по 2 LED-лампы
НЕТТО, кг
3700
БРУТТО, кг
3800
Внешние размеры (ДхШхВ)
7006х5356х3400 мм
Внутренние размеры (ДхШхВ)
6900х4000х2650 мм
Нагрузка колеса на решетку (макс.)
800 кг
Скорость потока воздуха, м/с
0,25 м/с
Приточный вентилятор, тип
Турбо
Приточный вентилятор, производительность
24000 м³/ч
Приточный вентилятор, мощность
7,5 кВт
Вытяжной вентилятор, тип
Турбо
Вытяжной вентилятор, мощность
5,5 кВт
Вытяжной вентилятор, производительность
20000 м³/ч
Все характеристики
Отзывы
Отзывов еще никто не оставлял
Ранее просмотренные
Сервисы от нашей компании
В нашей компании Вы можете заказать доставку товара любым удобным способом. Мы работаем со всеми ТК страны, а также имеем...
06.10.2024
Предоставляем сервис по выезду инженера на замер монтируемых конструкций!
07.10.2024
Комплектация объекта от фундамента до кровли - это наша сильная сторона!
06.10.2024
Услуги от нашей компании
Подъемные и откатные ворота под ключ в Екатеринбурге. В нашей компании можно заказать подъемные и откатные ворота под ключ. Мы...
23.09.2024
В нашей компании можно заказать гибку трубы по чертежу и техническому заданию заказчика! Изготовим гиб толстостенной трубы в короткие сроки...
26.11.2024
Наша компания реализует проект по комплексному обустройству Вашего помещения.
27.09.2024
Монтаж инженерных сетей в Вашем загородном доме будут осуществлять только квалифицированные специалисты, с многолетним опытом работы, прошедшие курсы и практические...
27.09.2024
В нашей компании колеровка производится по каталогам таких известных марок как: Cerezit, Bergauf и других. Специалисты нашей компании помогут при...
27.09.2024
Специалисты нашей компании готовы выполнить монтаж оконных конструкций согласно Вашему заказу. Мы готовы выполнить все работы под ключ, начиная от...
26.09.2024
Штукатурный фасад под ключ. Команда квалифицированных монтажников, имеющих многолетний опыт работы, оснащенная современными инструментами, быстро, и качественно произведет монтаж системы...
24.09.2024
